1. 尊龙网址登录官网

      current location: Home Product Center>Motor Control And Drive IC>Motor Controller>Motor Driver
      Sketch
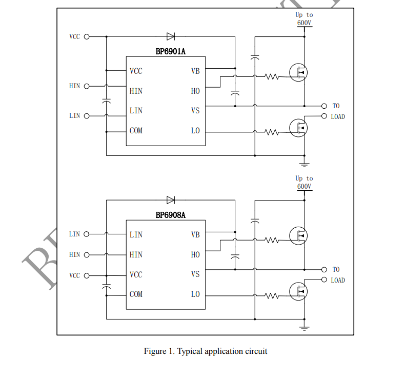
      The BP6901A/BP6908A is a high voltage, high speedhalf-bridge pre-driver for power MOSFET and IGBT.It has inputs for both high side and low side, and twooutput channels with internal dead time to avoidcross-conduction. The input logic level is compatible with 3.3V/5V/15Vsignal. The floating high side channel can drive a Nchannel power MOSFET or IGBT up to 600V.
      Advantage

        Floating channel operation up to 600V

        Robust at negative transient voltage

        Gate drive supply range from 10V to 20V

        3.3V, 5V and 15V input logic compatible

        UVLO for both high side and low side

        Built-in 100ns dead time

        Available in SOP8 package

      Schematic diagram
      Technical documents
      Document type Title Type Download
      Specification sheet BP6901A pdf Easy version Full version