current location:
Home
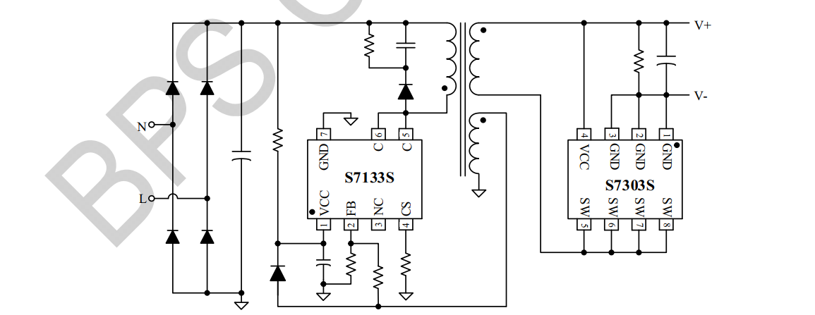
Product Center>AC/DC Power Management IC>Isolated Power Supply>SR Snchronous Rectifier
支持非连续模式(DCM)
支持准谐振模式(QRM)
内部集成高性能功率MOSFET
高度集成,只需极少外围器件
| Document type | Title | Type | Download |
| Specification sheet | S7303S | Easy version Full version |