• 尊龙网址登录官网

    current location: Home Product Center>AC/DC Power Management IC>Non-Isolated Power Supply
    Sketch
    The BPA8504D is a high-performance switcher integratedcircuits with low standby consumption. The BPA8504D canbe easily configured as buck, buck-boost, or flybacktopologies for universal Ac inputs.The BPA8504D integrates a 700V power MOSFET, a high-voltage current source for self-biasing, a current sensingExternal loopcircuit, and an advanced controller.compensation components can be mostly eliminated,which reduces cost and size of overall power systems, andmeantime achieves high reliability
    Advantage

      Integrated 700V power MOSFET

      Integrated high-voltage current source for self-biasing

      <100mW no load consumption

      Excellent transient response

      Low output ripple

    Application area
    • Home appliances
    • Motor driver standby power supply
    • lOT, smart home, smart LED drivers
    • Industrial controls
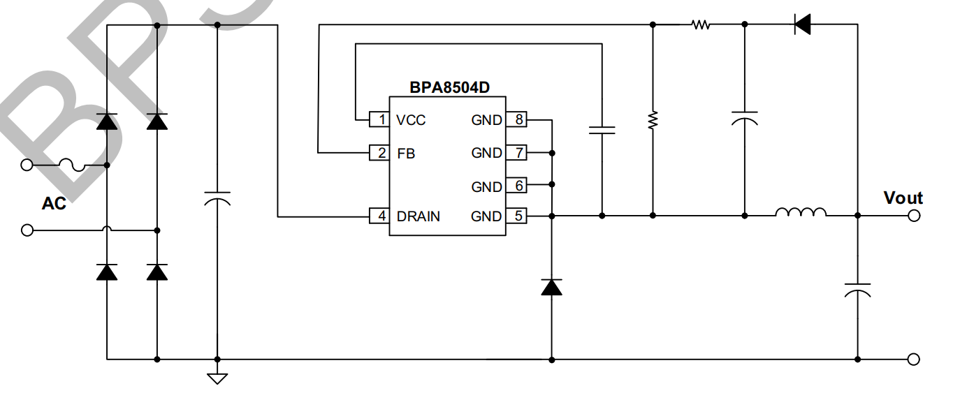
    Schematic diagram
    Package
    Technical documents
    Document type Title Type Download
    Specification sheet BPA8504D pdf Full version
    Related articles
    • The Extremely Quiet BLDC Blender Solution

      2024-11-08
    • The Air-conditioner Outdoor Unit Solution

      2024-07-30