尊龙网址登录官网

当前位置: 首页 产品中心>LED照明驱动芯片>调光>开关可控硅调光
简述
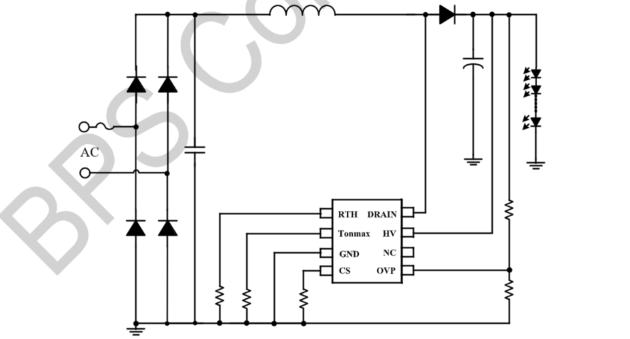
BP3276AML是一款高效率、高PF值,支持可控硅调光的LED驱动芯片。芯片工作在电感电流临界连续模式,适用于 Boost结构的 LED 驱动电源。 BP3276AML 芯片内部集成 500V功率开关,采用栅极驱动和高压供电方式,只需要很少的外围元件,即可实现优异的恒流特性,极大的节约了系统成本和体积。BP3276AML具有多重保护功能,包括LED开路保护(过压保护),芯片温度过热调节等。 BP3276AML采用 SOP-8封装。
优势

    支持可控硅调光

    内置 COMP 闭环恒流控制

    内部集成500V功率管

    临界连续电流控制模式

    集成 600V 高压 JFET供电,无VCC电容

    ±5% LED 输出电流精度

应用领域
  • LED 球泡灯
  • LED 蜡烛灯
  • 其他 LED 照明
典型应用原理图
封装
技术文档
文档类型 标题 类型 文件下载
规格书 BP3276AML pdf 完整版