当前位置: 首页 产品中心>LED照明驱动芯片>调光>非隔离 PWM调光
简述
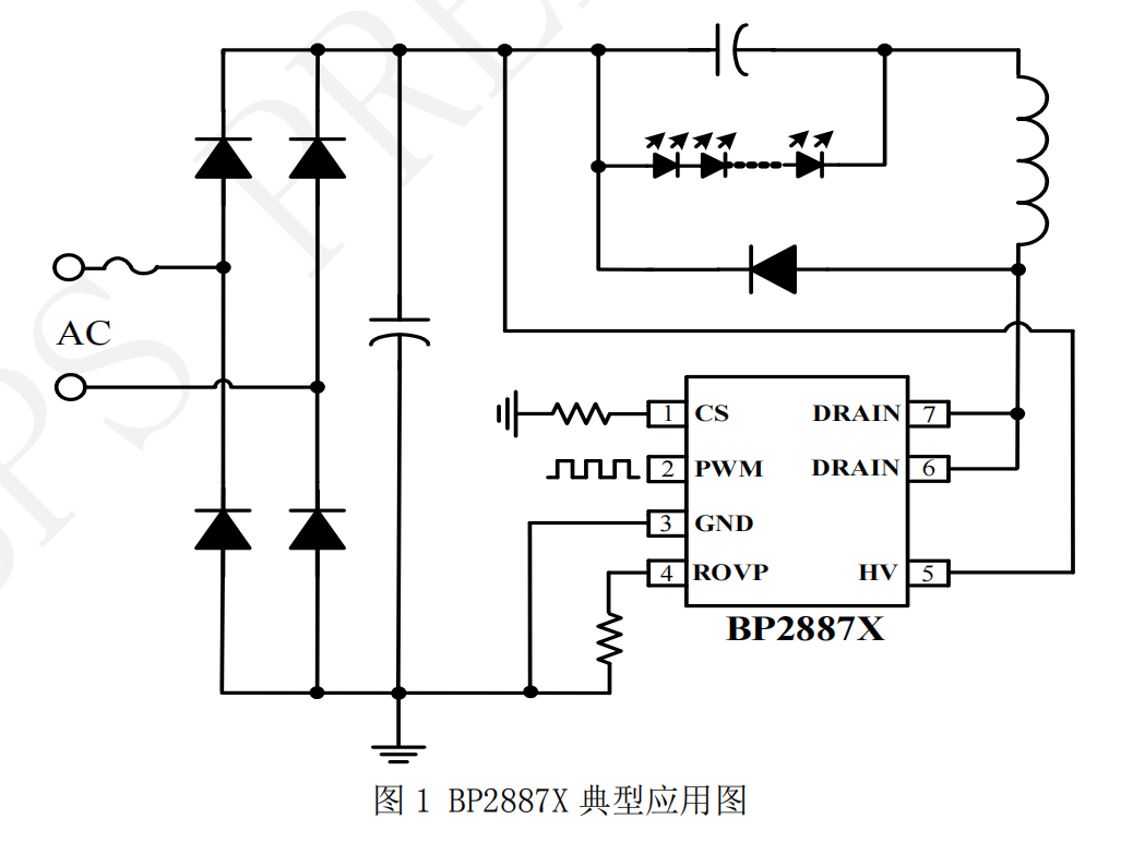
BP2887F是一款支持 PWM输入调光的高精度降压型LED 恒流驱动芯片,全程采用模拟调光控制模式,专为无频闪无噪声 LED 智能照明应用而设计BP2887F 能够达到优异的调光线性度和输出电流一致性,适用于 85Vac~265Vac 全范围输入电压的非隔离降压型 LED 恒流电源。BP2887F 芯片集成高压启动电路和 500V 功率管无需 VCC 电容和辅助绕组,只需要很少的外围元件,即可实现优异的恒流特性,极大的节约了系统成本和体积。
优势

    支持 1%-100%PWM 调光

    全程模拟调光无频闪

    无需启动电阻和 VCC 电容

    内部集成 500V 功率管

    ±5% LED 输出电流精度

    LED 开路保护

    LED 短路保护

    过热调节功能

    采用 DIP7 封装

应用领域
  • LED 吸顶灯
  • LED球泡灯
  • 其它 LED 照明
典型应用原理图
封装
技术文档
文档类型 标题 类型 文件下载
规格书 BP2887F pdf 完整版