尊龙网址登录官网
搜索
登录
中文
英文
首页
产品中心
DC/DC电源管理芯片
多相数字控制器
智能集成功率器件
降压转换器POL
电子开关/热插拔控制
AC/DC电源管理芯片
非隔离电源
隔离电源
LED照明驱动芯片
非调光
调光
智能面板
电机控制与驱动芯片
电机驱动
MCU
应用
LED照明
智能照明
高性能灯具
通用光源
风扇灯
高性能计算应用
Server
DT
PC(NB/Desk PC/主板)
VGA
汽车电子
汽车风扇
车载水泵
车载压缩机控制
工业应用
两轮电动车
白色家电
电动工具
服务器风扇
消费电子
快充
清洁电器
小家电
高速风筒
服务与支持
销售网络
咨询服务
选型指南下载
投资者关系
信息披露
ESG报告
加入我们
社会招聘
校园招聘
实习生招聘
文化福利
晶星计划
关于我们
公司简介
新闻资讯
分子公司
云游晶丰
DC/DC电源管理芯片
多相数字控制器
智能集成功率器件
降压转换器POL
电子开关/热插拔控制
AC/DC电源管理芯片
非隔离电源
隔离电源
SSR光耦驱动
SSR磁耦驱动
SR同步整流
PSR
LED照明驱动芯片
非调光
AC/DC非隔离低PF
AC/DC非隔离高PF
AC/DC隔离低PF(驱动MOS)
AC/DC隔离低PF(驱动BJT)
AC/DC隔离高PF
线性恒流
线性去频闪
恒压恒流
Boost 恒压恒流
辅助电源
调光
非隔离 PWM调光
线性PWM调光
DC-DC PWM调光
开关调光调色
PWM调色温
0-10V调光
线性可控硅调光
开关可控硅调光
智能面板
单火线
电机控制与驱动芯片
电机驱动
MCU
当前位置:
首页
产品中心
>
LED照明驱动芯片
>
非调光
>
Boost 恒压恒流
BP2616B
样品申请
简述
优势
应用领域
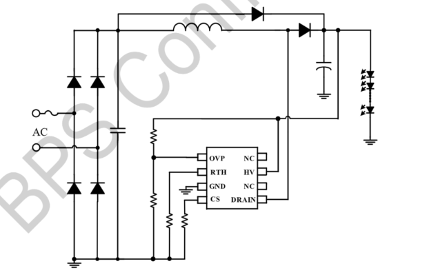
典型应用原理图
封装
技术文档
相关文章
返回
简述
BP2616B 是一款高效率、高 PF 值的 LED 驱动芯片。芯片工作在电感电流临界连续模式,适用于全压输入 Boost 架构的 LED驱动电源。 BP2616B 芯片采用先进的栅极驱动和高压供电方式,只需要很少的外围元件,即可实现优异的恒流特性,极大的节约了系统成本和体积。 BP2616B 具有多重保护功能,包括LED开路保护(过压保护)芯片温度过热调节等。
优势
内置 COMP 闭环恒流控制
临界连续电流控制模式
集成600V高压JFET供电,无VCC电容
±5% LED 输出电流精度
精准的 LED 开路保护
RTH 设定过热调节功能
采用 SOP-8 封装
应用领域
LED 球泡灯
LED 灯
其它 LED 照明
典型应用原理图
封装
技术文档
文档类型
标题
类型
文件下载
规格书
BP2616B
pdf
完整版
咨询