尊龙网址登录官网
搜索
登录
中文
英文
首页
产品中心
DC/DC电源管理芯片
多相数字控制器
智能集成功率器件
降压转换器POL
电子开关/热插拔控制
AC/DC电源管理芯片
非隔离电源
隔离电源
LED照明驱动芯片
非调光
调光
智能面板
电机控制与驱动芯片
电机驱动
MCU
应用
LED照明
智能照明
高性能灯具
通用光源
风扇灯
高性能计算应用
Server
DT
PC(NB/Desk PC/主板)
VGA
汽车电子
汽车风扇
车载水泵
车载压缩机控制
工业应用
两轮电动车
白色家电
电动工具
服务器风扇
消费电子
快充
清洁电器
小家电
高速风筒
服务与支持
销售网络
咨询服务
选型指南下载
投资者关系
信息披露
ESG报告
加入我们
社会招聘
校园招聘
实习生招聘
文化福利
晶星计划
关于我们
公司简介
新闻资讯
分子公司
云游晶丰
DC/DC电源管理芯片
多相数字控制器
智能集成功率器件
降压转换器POL
电子开关/热插拔控制
AC/DC电源管理芯片
非隔离电源
隔离电源
SSR光耦驱动
SSR磁耦驱动
SR同步整流
PSR
LED照明驱动芯片
非调光
AC/DC非隔离低PF
AC/DC非隔离高PF
AC/DC隔离低PF(驱动MOS)
AC/DC隔离低PF(驱动BJT)
AC/DC隔离高PF
线性恒流
线性去频闪
恒压恒流
Boost 恒压恒流
辅助电源
调光
非隔离 PWM调光
线性PWM调光
DC-DC PWM调光
开关调光调色
PWM调色温
0-10V调光
线性可控硅调光
开关可控硅调光
智能面板
单火线
电机控制与驱动芯片
电机驱动
MCU
当前位置:
首页
产品中心
>
LED照明驱动芯片
>
非调光
>
线性恒流
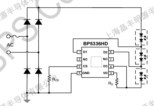
BP5336HD
样品申请
简述
优势
应用领域
典型应用原理图
封装
技术文档
相关文章
返回
简述
BP5336HD 是一款高精度分段线性恒流 LED控制芯片,集成了高压整流管和 JFET高压供电功能。主要用于驱动由市电供电的高电压、低电流 LED 灯串。由于不需要电解电容和磁性元件,LED驱动器可以实现小体积、长寿命,并符合EMI规定。 BP5336HD 可以通过外部电阻精确的设定LED电流,芯片通过优化分段导通时的电流,有利于减小 THD。 BP5336HD 具有过温调节功能。当输入电压过高,或者LED电流过大时,此功能将降低输出电流。 BP5336HD 集成了输入线电压补偿功能,在输入线电压过高时,BP5336HD 将按照外置的补偿电阻减小输出电流,保证输入功率基本不随线电压变化。
优势
外围电路非常简单,驱动器体积非常小
无需电解电容和磁性元件
650V 高压MOS管
母线电压变化±20%仍可工作
超快 LED 启动
LED 电流可外部设定
输入线电压补偿功能
应用领域
GU10/E27 LED 球泡灯、射灯
LED 蜡烛灯
其它 LED 照明
典型应用原理图
封装
技术文档
文档类型
标题
类型
文件下载
规格书
BP5336HD
pdf
完整版
咨询