尊龙网址登录官网

    当前位置: 首页 产品中心>LED照明驱动芯片>非调光>线性恒流
    简述
    BP5228FE是一款高 PF无频闪的线性恒流LED 控制芯片,集成了高压 MOS 管和 JFET 高压供电功能。主要用于高压输入的高功率因数的各类光源和灯具的驱动,能满足国内最新 ERP标准,同时具有良好的线性调整率。由于不需要磁性元件,LED驱动器可以实现小体积、长寿命,并符合EMI规定。 BP5228FE 可以通过外部电阻精确的设定LED 电流和电容充电电流,且具有线电压补偿功能,从而提高线性调整率。BP5228FE 具有高精度的过温调节功能。当输入电压过高,或者 LED 电流过大时,此功能将降低输出电流。
    优势

      满足国内新 ERP 标准

      PF>0.7,无频闪

      外围电路非常简单,驱动器体积非常小

      无需磁性元件

      超快 LED 启动

      ±5%LED 输出电流精度

      LED 电流可外部设定

    应用领域
    • GU10/E27 LED 球泡灯、射灯
    • LED 蜡烛灯、灯丝灯
    • 其它 LED 照明
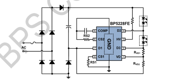
    典型应用原理图
    封装
    技术文档
    文档类型 标题 类型 文件下载
    规格书 BP5228FE pdf 完整版
    相关文章
    • 宽输入无频闪 | 新国标线性方案

      2024-08-16