尊龙网址登录官网

当前位置: 首页 产品中心>LED照明驱动芯片>非调光>线性恒流
简述
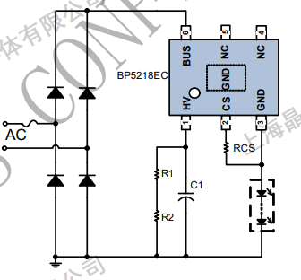
BP5218EC是一款无频闪的线性恒流LED控制芯片,集成了高压 MOS 管和 JFET 高压供电功能。主要用于高压输入的各类光源和灯具的驱动,能满足欧洲最新 ERP 标准。由于不需要磁性元件,LED 驱动器可以实现小体积、长寿命,并符合EM规定。 BP5218EC 可以通过外部电阻精确的设定 LED电流,且内置线电压补偿功能,从而提高线性调整率。BP5218EC 具有高精度的过温调节功能。当输入电压过高,或者 LED 电流过大时,此功能将降低输出电流。
优势

    满足欧洲新 ERP 标准

    PF>0.5,无频闪

    内置线补偿功能

    无需压敏,抗浪涌800V 以上

    外围电路非常简单,驱动器体积非常小

    无需磁性元件

    超快 LED 启动

    士5% LED 输出电流精度

    LED 电流可外部设定

应用领域
  • GU10/E27 LED 球泡灯、射灯
  • LED 蜡烛灯、灯丝灯
  • 其它LED 照明
典型应用原理图
封装
技术文档
文档类型 标题 类型 文件下载
规格书 BP5218EC pdf 完整版