尊龙网址登录官网

当前位置: 首页 产品中心>AC/DC电源管理芯片>隔离电源>SR同步整流
简述
BP6211BS 是一款高集成度、高性能、自供电的同步整流控制芯片,内置功率 MOSFET,支持CCM、DCM和 OR 工作模式:适用于高效率、高功率密度反激变换器应用。 BP6211BS 采用预关断工作模式,驱动电压根据功率 MOSFET压降自适应调整,加上超短的关断延时和高达4A的驱动下拉电流,能够实现超快的关断速度,使得系统能可靠工作于CCM 模式。 BP6211BS 芯片内部使用了振铃检测电路,避免了在DCM模式下由于自由振荡引起误开通而导致的初次级共通问题。同时内置前沿消隐时间,可以防止寄生振荡误触发MOSFET提前关断,从而保证同步整流稳定工作。超短的开通延时可以增加MOSFET 导通时间以获得尽可能高的效率。
优势

    集成 60V同步整流 MOSFET

    支持 CCM/DCM/QR 工作模式

    自适应驱动电压,超快关断速度,防止CCM 模式

    初次级共通

    内置振铃检测,防止 DCM 误开通

    可用于正端和负端整流

    芯片自供电,正端整流无需辅助供电绕组

应用领域
  • QC/USB-PD/可编程 AC-DC 充电器
  • 高效率电源适配器
  • 高效率、高功率密度反激变换器
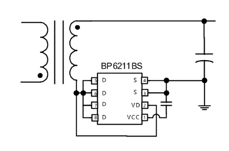
典型应用原理图
封装
技术文档
文档类型 标题 类型 文件下载
规格书 BP6211BS pdf 完整版