尊龙网址登录官网

当前位置: 首页 产品中心>AC/DC电源管理芯片>非隔离电源
简述
BP85224A 是一款高性能、高集成度、低待机功耗的开关电源驱动芯片,适用于全电压 85~265VAC 输入的 Buck、Buck-Boost 变换器拓扑应用。 BP85224A 芯片内部集成1600V 整流二极管、650V高压MOSFET、高压启动和自供电电路、电流采样电路、电压反馈电路以及续流二极管,采用先进的控制技术,无需外部VCC电容和环路补偿即可实现优异的恒压输出特性,极大地减少外围器件数量,降低系统成本和体积,提高可靠性。 BP85224A 芯片采用多模式控制技术,降低系统待机功耗,提高效率和动态性能,减小系统工作在轻载时的噪声。
优势

    集成 1600V 整流二极管

    集成 VCC 电容、续流二极管和反馈二极管

    内部集成 650V 高压 MOSFET

    集成高压启动和自供电电路

    低待机功耗 50mW@230Vac

    固定 5V 输出

    优异的动态响应速度,输出电压纹波小

应用领域
  • 小家电辅助电源
  • 电机驱动辅助电源
  • IOT/智能家居/智能照明
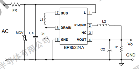
典型应用原理图
封装
技术文档
文档类型 标题 类型 文件下载
规格书 BP85224A pdf 完整版