• 尊龙网址登录官网

    当前位置: 首页 产品中心>AC/DC电源管理芯片>非隔离电源
    简述
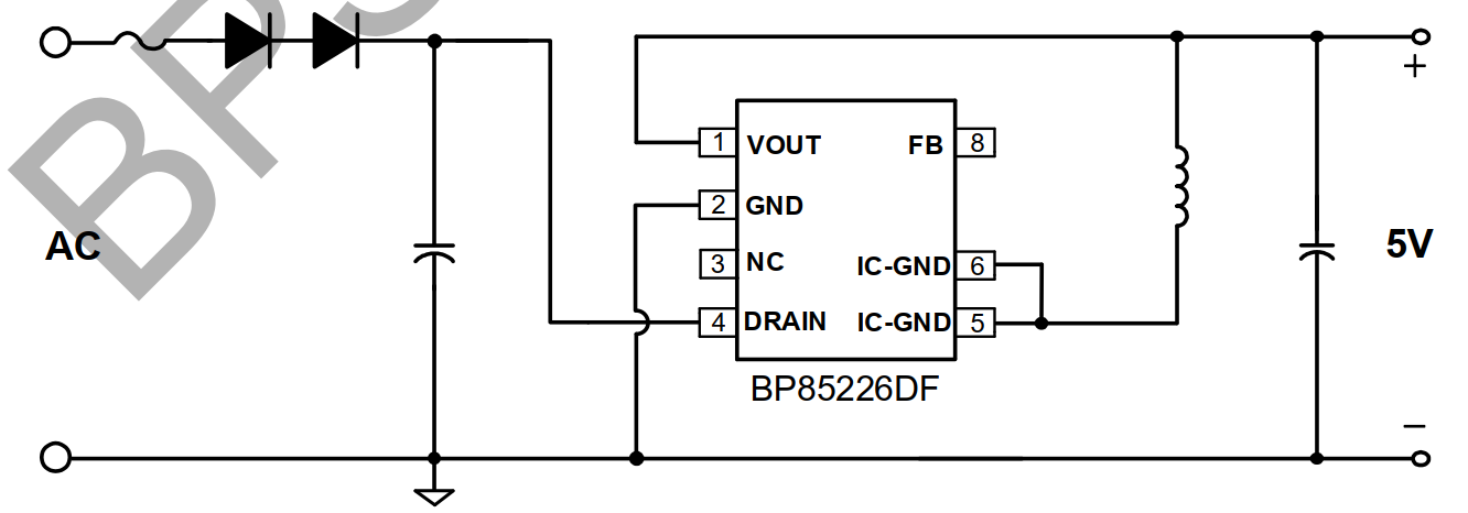
    BP85226DF 是一款高性能、高集成度、低待机功耗的开关电源驱动芯片,适用于全电压 85~265VAC 输入的 Buck、Buck-Boost 变换器拓扑应用。 BP85226DF 内部集成了 650V 高压 MOSFET、高压启动和供电电路、电流采样电路、电压反馈电路以及续流二极管,采用先进的控制技术,无需外部 VCC 电容和环路补偿即可实现优异的恒压输出特性,极大地减少了外围器件数量,节省了系统成本和体积,同时提高了可靠性。
    优势

      集成 VCC 电容、续流二极管和反馈二极管集成 650V 高压 MOSFET

      集成高压启动和自供电电路

      低待机功耗 50mW@230Vac

      优异的动态响应速度,输出电压纹波小

      良好的负载调整率和线性调整率

    应用领域
    • 小家电辅助电源
    • 电机驱动辅助电源
    • IOT/智能家居/智能照明
    典型应用原理图
    封装
    技术文档
    文档类型 标题 类型 文件下载
    规格书 BP85226DF pdf 简易版 完整版