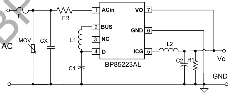
集成 1600V 整流二极管
集成 VCC 电容、续流二极管和反馈二极管
内部集成 550V 高压 MOSFET
集成高压启动和自供电电路
内置软启动功能
低待机功耗 50mW@230Vac
BP85223AL | 集成整流桥,小家电电源的"芯"选择