当前位置: 首页 产品中心>AC/DC电源管理芯片>非隔离电源
简述
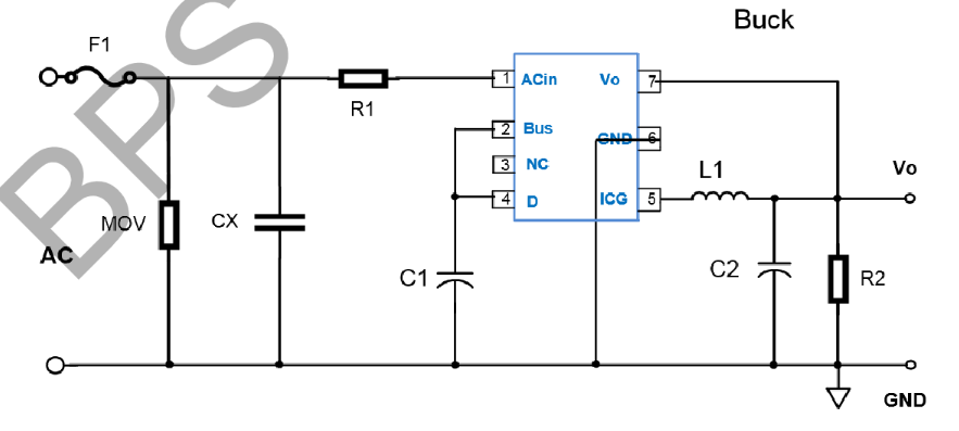
BP85221AL是一款高性能、高集成度、低待机功耗的开关电源驱动芯片,适用于全电压 85~265VAC 输入的 Buck、Buck-Boost拓扑应用。功率电感可兼容 0510色环电感或CD43 贴片电感。 BP85221AL内部集成1600V整流二极管、550V高压MOSFET、高压启动和自供电电路、电流采样电路、电压反馈电路以及续流二极管,无需外部VCC 电容,减少外围器件数量,降低系统成本和体积,提高可靠性。
优势

    兼容 0510 色环电感或 CD43 贴片电感

    集成 1600V整流二极管

    集成 VCC 电容、续流二极管和反馈二极管

    集成 550V 高压 MOSFET

    集成高压启动和自供电电路

应用领域
  • 小家电辅助电源
  • IOT/智能家居/智能照明
  • 替换阻容降压电路
典型应用原理图
封装
技术文档
文档类型 标题 类型 文件下载
规格书 BP85221AL pdf 完整版